Systemy gaśnicze wodne Fig.505
Fig.505
Zawory redukcyjne Fig.505 są zaprojektowane do automatycznego redukowania wyższego ciśnienia wlotowego do stałego niższego ciśnienia za zaworem, bez względu na zmienne natężenie przepływu i/lub zmienne ciśnienie wlotowe. Zawór jest dostarczany z fabryczną nastawą ciśnienia na 8,5 bar (125 psi).

Zasada działania
W miarę wzrostu ciśnienia za zaworem redukcyjnym powyżej wartości ustawionej na pilocie, pilot przesuwa się w kierunku zamknięcia. Powoduje to zwiększenie ciśnienia w komorze membrany głównego zaworu regulacyjnego. Zawór główny zamyka się nieznacznie, aby zmniejszyć ciśnienie wylotowe do zadanej wartości. W odwrotnej sytuacji, gdy ciśnienie spada poniżej ustawionej wartości, zawór pilotowy otwiera się szerzej, co powoduje spadek ciśnienia w komorze nad membraną zaworu głównego. Dzięki temu następuje szersze otwarcie głównego zaworu regulacyjnego i zwiększenie ciśnienia do zadanej wartości. Oba zawory pilotowy i główny modulują aby utrzymać zadane ciśnienie za zaworem, bez względu na zmieniające się natężenie przepływu czy ciśnienie wlotowe.
Dodatkowe dane
- Zawory redukcyjne automatycznie redukują wyższe ciśnienie wlotowe do stałego niższego ciśnienia wylotowego niezależnie od zmiennego przepływu i/lub zmiennego ciśnienia wlotowego.
 - Działa przy szerokim zakresie przepływów
 - Nastawa ciśnienia jest zmieniana poprzez pojedynczą śrubę ustalającą na zaworze pilotowym zaworu redukcyjnego
 - Konserwacja zaworu jest możliwa bez jego demontażu z rurociągu
 - Kołnierze zgodnie z EN1092-2 PN10/PN16, ANSI B16.1 Class 125 (inne dostępne na zapytanie)
 - Przyłącza rowkowane zgodnie z AWWA C606
 - Zakres nastaw ciśnienia wylotowego: 4,5 do 11,4 bar (65-165psi)
 
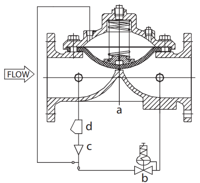
Komponenty
Zawór Fig. 505 składa się z następujących elementów (zgodnie z podstawowym schematem):
- a - Główny zawór regulacyjny: Hydraulicznie sterowany zawór typu membranowego, w którym przepływ zamykany jest elastomerową membraną dociskaną do metalowego gniazda zaworu.
 - b - Zawór pilotowy: Dwudrogowy, normalnie otwarty zawór pilotowy, który wykrywa ciśnienie pod membraną i równoważy je za pomocą regulowanego docisku sprężyny, która znajduje się nad membraną. Wzrost ciśnienia za zaworem powoduje zamknięcie pilota.
 - c - Kryza: Prosta złączka z ograniczonym przepływem zamontowana w otworze przyłączeniowym po stronie wlotowej zaworu głównego.
 - d - Filtr typu Y: Filtr zabezpiecza system obwodowy pilota przed zanieczyszczeniami stałymi znajdującymi się w płynie wewnątrz rurociągu.
 

Dane techniczne
| Parametr | Wartość | 
|---|---|
| Rozmiar | Od DN50 do DN250 | 
| Zakres przepływu | Od 150 do 16 183 l/min | 
| Maksymalne ciśnienie robocze | 20,7 bar | 
| Zakres temperatur | Od 0 do +87°C | 
Specyfikacja materiałowa
| Lp | Opis | Materiał | Specyfikacja | 
|---|---|---|---|
| 1 | Korpus | Żeliwo | A536 gatunek 65-45-12 | 
| 2 | Pokrywa | Żeliwo | A536 gatunek 65-45-12 | 
| 3 | Membrana | Guma wzmocniona nylonem | - | 
| 4 | Uchwyt sprężyny | Żeliwo | A536 gatunek 65-45-12 | 
| 5 | Sprężyna | Stal nierdzewna | A276 gatunek 304 | 
| 6 | Ocynkowana śruba | Stal węglowa | A307 gatunek B | 
| 7 | Ocynkowana podkładka | Stal węglowa | A307 gatunek B | 
| 8 | Orurowanie | Stal nierdzewna | AISI 304 | 
| 9 | Korpus zaworu pilotowego | Brąz | - | 
Parametry i dane zamówieniowe
| Rozmiar | Wymiar | Przepływ | Indeksy zamówieniowe | |||
|---|---|---|---|---|---|---|
| mm | cale | mm (cale) | l/min | Kołnierz PN16 | Kołnierz AISI | Rowkowany | 
| DN50 | 2" | 233 mm (9") | 150-750 | RD505FF-050 | RD505FF-050A | RD505GG-050 | 
| DN65 | 2 1/2" | 290 mm (11,5") | 184-950 | RD505FF-065 | RD505FF-065A | RD505GG-065 | 
| DN80 | 3" | 310 mm (12,2") | 300-1516 | RD505FF-080 | RD505FF-080A | RD505GG-080 | 
| DN100 | 4" | 356 mm (14") | 565-2833 | RD505FF-100 | RD505FF-100A | RD505GG-100 | 
| DN125 | 5" | 370 mm (14,5") | 817-4283 | RD505FF-125 | RD505FF-125A | RD505GG-125 | 
| DN150 | 6" | 436 mm (17,2") | 1050-5283 | RD505FF-150 | RD505FF-150A | RD505GG-150 | 
| DN200 | 8" | 530 mm (20,8") | 1883-5683 | RD505FF-200 | RD505FF-200A | RD505GG-200 | 
| DN250 | 10" | 636 mm (25") | 3233-16183 | RD505FF-250 | RD505FF-250A | RD505GG-250 | 

- Aprobata FM