Systemy gaśnicze wodne Włącznik nadzoru ciśnienia model PS120
Włącznik nadzoru ciśnienia model PS120





Dane techniczne
| Parametr | Wartość |
|---|---|
| Wymiary | Szerokość 121mm (4.75”) głębokość x 57mm (2.25”) wysokość x 111mm (4.38”) |
| Obudowa |
|
| Przyłącze | Męskie nylonowe NPT 1/2” |
| Styki łącznika | Dostępny z jednym lub dwoma zestawami styków bezpotencjałowych łącznika SPDT formy C. 10,1 A przy 125 / 250V AC (prąd zmienny) i 2,0 A przy 30V DC (prąd stały) |
| Wejścia pod przepusty kablowe | Dwa otwory przygotowane do montażu przepustów kablowych DN15 / 1/2”. Wymagana tuleja rury osłonowej do mon-tażu na zewnątrz NEMA typ 4. |
| Zakres ciśnień | Od 1,7 do 12,1 bar (od 25 do 175 psi) |
| Specyfikacje środowiskowe | Do stosowania wewnątrz lub na zewnątrz budynków; zakres temperatur: od -40°C (-40°F) do 60°C (140°F); obudowa dopuszczona NEMA 4 / IP45 - przy wykorzystaniu odpowiednich złączek przepustów kablowych (nie należy stosować na obszarach zagrożonych). |
| Zabezpieczenie antysabotażowe | Na pokrywie zamontowane są zabezpieczenia antysabotażowe, które można zdjąć jedynie za pomocą specjalnego klucza (patrz: VSRFKEY). Do każdego urządzenia dołączony jest jeden klucz. Opcjonalnie dostępny jest czujnik pokrywy instalowany w terenie, informujący o otwarciu pokrywy przez osoby nieupoważnione. |
Dane zamówieniowe
| Numer artykułu | Maksymalne ciśnienie (bar/psi) | Zestaw(y) styków SPDT | Działa przy ciśnieniu* | EMaksymalna różnica ciśnień (bar/psi) | Rozmiar gwintu | |
| Rosnącym (bar/psi) | Malejącym (bar/psi) | |||||
| PS1201A 910029 | 17,2/250 | 1 | - | 7,6/110 | Od 0,14 do 0,35 / Od 2 do 5 | Męski 1/2" NPT |
| PS1202A 912974 | 17,2/250 | 2 | 9,0/130 | 7,6/110 | Od 0,14 do 0,35 / Od 2 do 5 | Męski 1/2" NPT |
| *Wskazuje ustawienia fabryczne. Zakres regulacji: 0,7–12,1 bar (10–175 psi). | ||||||
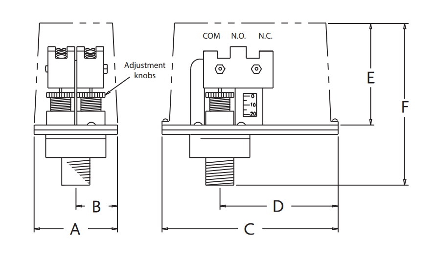
Wymiary (mm/cale)
| A | B | C | D | E | F |
| 57/2,25 | 29/1,13 | 121/4,75 | 81/3,19 | 70/2,75 | 111/4,38 |





- Aprobata FM
- Wykaz UL (Listed)
- CE
- Aprobata LPCB